
Tjänst
Stoftmätning
METLAB har sedan 1965 hjälpt Sveriges industrier med stoftmätning och andra ackrediterade emissionsmätningar. Låt oss hjälpa er också.
Stoft är partiklar som är så små att de ofta kan sväva i luften under lång tid. Dessa partiklar kan ha olika ursprung, till exempel från naturliga källor som jord och pollen eller från mänskliga aktiviteter som industri och trafik. Stoft kan ha en negativ påverkan på både hälsa och miljö. När människor utsätts för höga nivåer av stoft kan det orsaka andningsproblem, allergiska reaktioner och lungsjukdomar som lungcancer och silikos. Stoft kan också ha en negativ påverkan på miljön genom att orsaka försurning, övergödning och förorena ytvatten och grundvatten. Därför är det viktigt att utföra stoftmätningar och övervaka nivåerna av partikelutsläpp för att minska dess påverkan på hälsa och miljö.
Hur går en stoftmätning till?
En lämplig mätpunkt väljs ut i skorsten eller kanal. Eftersom stoftets karaktär och massa kan variera mycket från process till process är viktigt att de flödesmässiga förhållanden i kanalen är sådana att partiklarna ligger någorlunda jämnt fördelade i mätplanet. Det är till exempel olämpligt att utföra stoftmätning strax efter en kanalböj eftersom partiklarna då kan slungas till en sida av kanalen och resultatet blir missvisande.
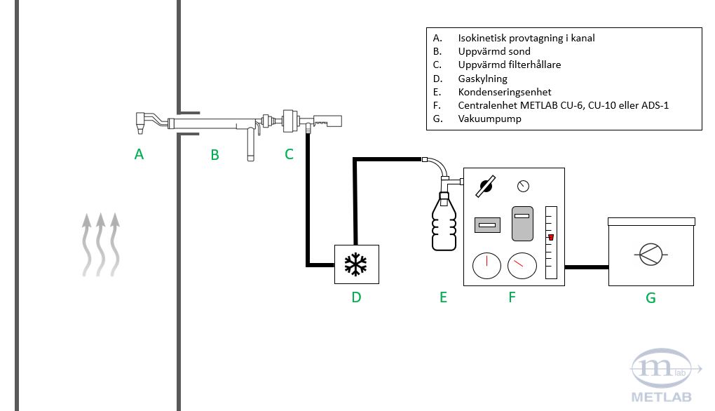
Ett noga förinvägt filter av lämplig storlek placeras i en filterhållare på en sond. Om provtagning sker på fuktiga gaser sker provtagning med uppvärmd sond och filterhållare för att förebygga kondensering i sondröret.
Sonden placeras i kanalen varpå ett delflöde sugs ut och volymbestäms i ett kalibrerat gasur. Provtagningen sker isokinetiskt vilket innebär att hastigheten i sondens spets är samma som den rådande gashastigheten i kanalen. Detta är kritiskt eftersom över -eller underisokinetisk provtagning innebär att strömningen runt sonden påverkas och partikelkoncentrationen i mätpunkten blir ickerepresentativ.

Antal prover och provernas längd bestäms på förhand efter vad som anses lämpligt, ett vanligt upplägg är två prov i intervallet 0,5-2h per prov. Om stofthalterna är låga kan längre provtagning rekommenderas för att förbättra mätosäkerheten.
Efter avslutat prov omhändertas filtret försiktigt och transporteras tillbaka till laboratoriet där det vägs efter konditionering i värmeskåp och eksickator. Volymen som lästes av på gasuret under provet, fukthalten som uppmättes, tryck och temperaturer används sedan vanligtvis för att räkna ut ett resultat i milligram stoft per normalkubikmeter torr gas eller mg/m3ntg.
Det är vanligt att man vid olika typer av förbränning enligt villkor räknar om resultatet till en viss förutbestämd syrehalt, t.ex. 11% O2 vid avfallsförbränning. Detta gör man för att kunna jämföra anläggningar av samma typ utan att påverkas av anläggningsspecifika förhållanden, t.ex. spädning av rökgaserna av tillförd luft som annars skulle leda till en missvisande lägre stofthalt.
Har du frågor om stoftmätning eller vill begära offert? Kontakta oss redan idag
Börja mäta själv
Många industrier väljer att själva periodiskt kontrollera sina utsläpp genom att skaffa egen utrustning och utbildning från METLAB. Ett bra sätt att undvika sena och dyra överraskningar när den obligatoriska periodiska villkorskontrollen görs. Läs mer om vår stoftprovtagningsutrustning här.
English
Svenska